直线直流电机
永磁体在线圈的行程范围内使其具有基本均匀的磁场Bδ。当DC电源1a通过线圈时,承载电流的导体受到磁场中的电磁力。
这种电磁力的方向可以通过弗莱明的左手定则来确定。让左手掌朝向Bδ方向,并且四个手指沿着当前方向。
拇指指示的方向是线圈的电磁力作用的方向。铁棒下方的线圈部分中的电流方向是垂直于纸张的方向,并且施加到线圈的电磁力的方向在图中用F表示。
改变直流电流Ia的方向改变了线圈被迫的方向。电磁力的大小可以通过以下等式计算:其中W是线圈的匝数; l-磁场中每个场的线圈导体的平均有效长度(m); Bδ-线圈所在空间的磁感应(T); Ia──线圈导体(A)中的电流。
只要线圈接收的电磁力大于线圈架上存在的静摩擦阻力Fs,就可以使线圈线性移动。这是线性直流电动机运行的基本原理。
您可能还喜欢这些产品
电阻分直流和交流吗相同的电阻分别连接到交流和直流,其电阻值不同。当交流连接时,由于集肤效应和邻近效应,交流电阻通常大于直流电阻。
电容的“通交流、阻直流”通交阻直”是电容重要的特性之一,即电容可以交流电导通,但直流电阻断。这是为什么呢?从理论上来讲,电荷是根本不能在电容中流动的。因为在平
电容器通交流阻直流的原因为什么电容器通交流阻直流?在介绍电容器特点的时候,相信很多人都听说过通交、阻直,通高、阻低,你知道是什么意思吗?它指的意思就是电容器可
- 为什么电容器通交流阻直流
为什么电容器可以通过交流电阻直流?电容器是储存电荷的部件。它可以为交流信号提供阻抗,为直流信号提供开路。电容器是由两个电极组成的部件,
电容器对交流和直流的作用电容的“通交流、阻直流”“通交阻直”是电容重要的特性之一,即电容可以交流电导通,但直流电阻断。这是为什么呢?从理论上来讲,电荷是根本不
电容器通直流阻交流的原因电容器的一个重要特性是通直流阻交流。这是为什么呢?理论上,电荷根本不能在电容器中流动。因为在给平行板电容器通电后,一个板携带正电荷,另
- 如何正确选择分流电阻器?从交流到直流的全面对比指南
分流电阻器的核心参数解析在现代电子系统中,分流电阻器是实现电流传感的关键器件。其性能直接影响测量系统的准确性与可靠性。以下是关键参数说
直流电流扩大量程采用并联分流电阻的方法直流电流表扩大量程: 扩大电流表量程的目的是用小量程电流表测量较大电流,而通过电流表表头的电流仍然不能越过原来量程,因此必须能表头
- 分流电阻与保险丝在交流直流电路中的应用差异解析
分流电阻与保险丝的基本概念分流电阻(Shunt Resistor)是一种用于测量电流的精密电阻,通过其两端的电压降来推算流经的电流值。而保险丝(Fuse)则是
直流电阻定义直流电阻是部件与直流电流连接时呈现的电阻,即部件的固有静态电阻。例如,当线圈通电直流和交流时,其电阻不同。当线圈通电时,除了直流电阻外
高频直流支撑电容器该元件具有超高的开关频率,覆盖900V至1600V的额定电压和640μF智1850μH的电容范围。额定电流范围为160 A至210 A(具体视型号而定),最大允许热点温度为
- 分流器电阻与分流电阻器的原理及交流直流应用差异解析
分流器电阻与分流电阻器的基本概念分流器电阻(Shunt Resistor)是一种用于测量电流的精密电阻元件,其核心作用是将大电流按比例分流,从而在低电压
直流电容接反会怎么样极性电容器的使用注意事项:1.仅直流供电有极性电容只能由直流供电,不能用于交流。极化电容器内部的特殊材料无法承受反向电压。将极性电容器连
- 如何正确选择分流电阻与保险丝应对交直流电路需求
交直流电路中元件选型的核心考量在电力电子、新能源、工业控制等系统中,正确选择分流电阻与保险丝是保障系统安全与测量精度的关键。分流电阻的
直流电容和交流电容有什么区别1、直流电容和交流电容的区别是电容有极性(就是有正负极)还是无极性2、直流电容有极性交流电额没有极性,有极性的电容,由于它分正负极,不能
怎样区分直流电容和交流电容交流电容器也称为非极性电容器。从这个词的意思可以看出,它可以与极性无关。所以交流和直流都可以使用。直流电流使用极性电容器。其容量非常高
直流电阻和交流电阻的区别直流电阻和交流电阻之间的差异在于元件通上直流电所呈现出的电阻。直流通路的阻抗称为直流电阻。直流电阻是元件在直流通电时呈现的电阻,即
电容通直流电会怎样电容的“通交流、阻直流”“通交阻直”是电容重要的特性之一,即电容可以交流电导通,但直流电阻断。这是为什么呢?从理论上来讲,电荷是根本不
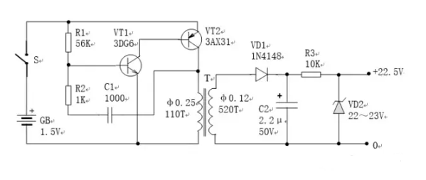
电感直流升压电路工程师必备:六种常见的DC-DC升压电路万用表是从事电工、电子技术工作者的必备工具,它的高阻挡通常使用一块9V、15A或22.5V的叠层电池。这种电池不但
电容滤波电路直流成分电容滤波的工作原理在整流电路输出的电压是单向脉动性电压,不能直接给电子电路使用。所以要对输出的电压进行滤波,消除电压中的交流成分,成为
